Husqvarna K760 Concrete Saw Parts

Parts Manual Husqvarna K760 Free Download Dhs Equipment

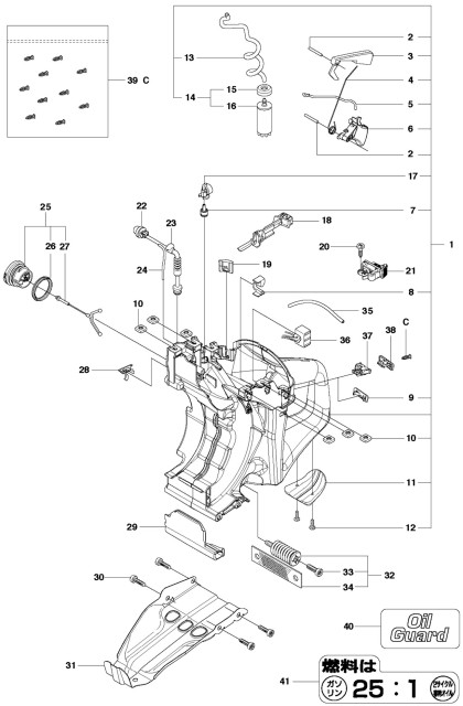
Parts Manual Husqvarna K760 Free Download Dhs Equipment

Husqvarna Power Cutter K760 Ereplacementparts Com

Husqvarna Power Cutter K760 Ereplacementparts Com

Husqvarna Power Cutter K760 Ereplacementparts Com

Husqvarna Power Cutter K760 Ereplacementparts Com

Husqvarna K760 Disc Cutter Parts 2013 Onwards

Husqvarna K760 Disc Cutter Parts 2013 Onwards

K760 Recoil Starter 2013 Husqvarna K760 Disc Cutter Parts 2013 Onwards

K760 Recoil Starter 2013 Husqvarna K760 Disc Cutter Parts 2013 Onwards

Husqvarna K 760 Husqvarna Cut Off Saw 2009 12 Parts Lookup With Diagrams Partstree

Husqvarna K 760 Husqvarna Cut Off Saw 2009 12 Parts Lookup With Diagrams Partstree

Husqvarna K 760 Husqvarna Cut Off Saw 2009 12 Parts Lookup With Diagrams Partstree

Light weight and every detail developed with ergonomics in mind.

Husqvarna k760 concrete saw parts.

Husqvarna k760 2013 02 power cutter parts. Repair parts home lawn equipment parts husqvarna parts husqvarna power cutter parts husqvarna k760 power cutter parts continue shopping proceed to checkout we sell only genuine husqvarna parts. With over 325 years of innovation and passion husqvarna provides construction professionals with support service and a wide range of machines diamond tools and all accessories that you need to cut saw drill demolish grind and polish concrete. Get it as soon as thu jan 7.

Help me find my husqvarna model number for the husqvarna k750 you can tell what year it was made by the first 3 or 4 numbers of the serial number for example 009 and 2009 mean your machine was made in 2009. We let high performance meet usability and safety making you ready to get the job done efficiently. Suggested site content and search history menu. 4 6 out of 5 stars 12.

Enginerun recoil rewind start starter cover assembly compatible with husqvarna partner k750 k760 concrete saw oem 506385613 506 38 56 13. Husqvarna k760 standard petrol disc cutter parts. Free shipping by amazon. 1 16 of 156 results for husqvarna k760 parts skip to main search results eligible for free shipping.

We offer husqvarna power cutter tool spare parts accessories tool breakdown diagrams and repair advice to make your power tool repairs easy. Our best selling all round power cutter. Full range of spare parts for husqvarna k760 concrete disc cutter and k760 cut n break saw in stock for fast delivery. Yard grounds care.

Call center open from home and warehouse shipping to all 50 states with some usps ups fedex delays learn more order status customer support 512 288 4355 my account. We also stock stihl and makita disc saw spares as well as a full range of disc saw consumables and accessories. We let high performance meet usability and safety making you ready to get the job done efficiently.

K760 Crankcase Up To 2012 Husqvarna K760 Disc Cutter Parts Up To 2012

K760 Crankcase Up To 2012 Husqvarna K760 Disc Cutter Parts Up To 2012

K760 Blade Guard Assembly 2013 Onwards Husqvarna K760 Disc Cutter Parts 2013 Onwards

K760 Blade Guard Assembly 2013 Onwards Husqvarna K760 Disc Cutter Parts 2013 Onwards

K760 Water Hose Kit 2013 Husqvarna K760 Disc Cutter Parts 2013 Onwards

K760 Water Hose Kit 2013 Husqvarna K760 Disc Cutter Parts 2013 Onwards

Parts For K760 Cut N Break 2009 11 Powerhouse Distributing

Parts For K760 Cut N Break 2009 11 Powerhouse Distributing

K760 Belt Guard Pulley 2013 Husqvarna K760 Disc Cutter Parts 2013 Onwards

K760 Belt Guard Pulley 2013 Husqvarna K760 Disc Cutter Parts 2013 Onwards

K760 Ignition System 2013 Husqvarna K760 Disc Cutter Parts 2013 Onwards

K760 Ignition System 2013 Husqvarna K760 Disc Cutter Parts 2013 Onwards

K760 Fuel Tank 2013 Husqvarna K760 Disc Cutter Parts 2013 Onwards

K760 Fuel Tank 2013 Husqvarna K760 Disc Cutter Parts 2013 Onwards

Cut Quick Parts Repairs United Diamond Tools

Cut Quick Parts Repairs United Diamond Tools

Husqvarna K760 Repair Manual

Husqvarna K760 Repair Manual

Husqvarna Power Cutters K 760 With Oilguard

Husqvarna Power Cutters K 760 With Oilguard

Husqvarna K760 Cylinder Overhaul Kit

Husqvarna K760 Cylinder Overhaul Kit

Oem Husqvarna K760 Cut N Break Bar Assy Part 544103703

Oem Husqvarna K760 Cut N Break Bar Assy Part 544103703

Husqvarna Disc Cutter Parts K770 Parts K760 Parts Seddons Plant

Husqvarna Disc Cutter Parts K770 Parts K760 Parts Seddons Plant

Husqvarna K750 K760 Disc Cutter Adcoservices

Husqvarna K750 K760 Disc Cutter Adcoservices

Husqvarna K760 Parts Husqvarna Disc Cutter Parts Disc Cutters Parts Cutting Sawing Light Plant Tool Parts Plant Spares L S Engineers

Husqvarna K760 Parts Husqvarna Disc Cutter Parts Disc Cutters Parts Cutting Sawing Light Plant Tool Parts Plant Spares L S Engineers

Amazon Com Husqvarna K760 Parts

Amazon Com Husqvarna K760 Parts

How To Change The Clutch On A Husqvarna K760 Disc Cutter L S Engineers Youtube

How To Change The Clutch On A Husqvarna K760 Disc Cutter L S Engineers Youtube

Genuine Husqvarna K760 Crankcase Crankshaft Cylinder Piston Long Block

Genuine Husqvarna K760 Crankcase Crankshaft Cylinder Piston Long Block

Https Encrypted Tbn0 Gstatic Com Images Q Tbn And9gcqjzetgqoixe4 Qia6xl0 Zqeyly8ttgwtpiiuxzu3xjtuslhjd Usqp Cau

Https Encrypted Tbn0 Gstatic Com Images Q Tbn And9gcqjzetgqoixe4 Qia6xl0 Zqeyly8ttgwtpiiuxzu3xjtuslhjd Usqp Cau

Source : pinterest.com